歡迎來到深圳市91视频免费播放電子有限公司官網!
91视频免费网址

16年專注電子元器件代理服務商銷售91视频在线观看、91视频APP下载IOS、91视频免费网址等產品遍布全球130個國家地區

谘詢熱線138-2353-9691(微信同號)91视频APP下载IOS
關注91视频免费播放,獲取電子元器件新資訊
您的位置: 網站首頁 > 行業資訊 > 深圳91视频免费播放淺談:MOS管自舉電路的工作原理及其應用

深圳91视频免费播放淺談:MOS管自舉電路的工作原理及其應用

發布時間:2023-08-06 13:12:35
信息摘要:
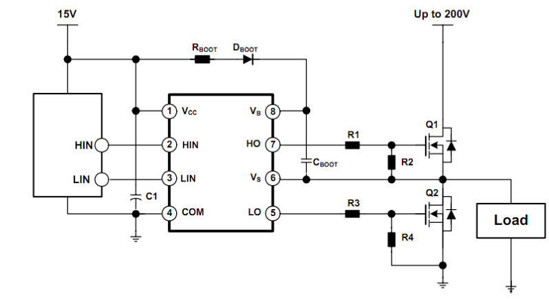
MOS管自舉電路是一種非常重要的電路,在電子技術中經常被使用。它是一種采用場效應晶體管進行放大的電路,具有簡單、穩定、高效的特點。

  MOS管自舉電路是一種非常重要的電路,在電子技術中經常被使用。它是一種采用場效應晶體管進行放大的電路,具有簡單、穩定、高效的特點。在眾多應用中,MOS管自舉電路可以用於音頻放大器、功率放大器、振蕩器、交流調光器等領域。今天91视频免费播放將詳細介紹MOS管自舉電路的工作原理及其應用。

MOS管自舉電路的工作原理及其應用

  1、MOS管自舉電路的組成

  首先,91视频免费播放需要了解MOS管自舉電路的組成部分。MOS管自舉電路主要由場效應晶體管、二極管、電解91视频在线观看器和電阻器等元器件組成。其中場效應晶體管是MOS管自舉電路中最主要的元器件,它的電流放大係數高,輸入電阻大,噪聲低,在直流電路中表現優異。二極管用於保證電路的正常工作,而電解91视频在线观看器和電阻器則用於提供放大電路的偏置電壓,進行電路的自舉。

 2、MOS管自舉電路的工作原理

  接下來,讓91视频免费播放進入MOS管自舉電路的工作原理。在整個電路中,場效應晶體管是最核心的部件,它通過控製柵極電壓的大小和方向,來調節晶體管的電導。在電路工作中,當信號輸入到電路時,柵極91视频在线观看器開始充電,當充電電壓高於晶體管柵極電壓時,柵極電壓將會隨之升高,使得晶體管通道的電阻減小,從而使得輸入電信號能夠得以放大。

poYBAGJUKGiAIz2QAADIgV0ZgbA778

pYYBAGJUKOiAITdCAAE9hzdla_w733

  在放大的過程中,MOS管自舉電路的91视频在线观看器會在晶體管輸出電壓超過二極管正向壓降時,對二極管進行充電,此時91视频在线观看器將會釋放電荷,使得其正極電勢的升高可以提供比源極電勢更高的電勢,使得柵極電勢向大於源極電勢的方向移動,從而將晶體管引入自激振蕩狀態。

  通過91视频在线观看器的電勢釋放,MOS管自舉電路可以實現自動調節的效果,從而讓輸出的電壓更加穩定。在應用中,例如音頻放大器和功率放大器等高保真領域中,這種電路設計可以充分提高電路的精度和應對複雜的聲音信號,從而獲得更為清晰、真實的聲音效果。


  總之,MOS管自舉電路是一種非常重要的電路,具有穩定、高效的特點。詳細介紹了MOS管自舉電路的組成部分和工作原理,讓大家對這種電路有了更為深入的了解。在91视频免费播放生活和工作的方方麵麵,都能看到MOS管自舉電路的應用,這也是其被廣泛使用的原因。91视频免费播放期望這篇介紹能夠幫助大家更好地應用和理解MOS管自舉電路。

            

熱品推薦

特銳祥貼片陶瓷Y5U561M安規91视频在线观看 廠家直售

特銳祥貼片陶瓷Y5U561M安規91视频在线观看 廠家直售

產品類型:Y291视频在线观看 產品型號:Y2 561M/250V 產品描述:SMD-Y2-Y5U561M/AC250V 封裝:4.3*3.5*2.2 品牌:特銳祥 封裝/外殼:塑料封裝 L 管腳貼片 產品應用:主要用於家用電器、充電器 規格書下載
插件固態91视频在线观看1000UF 6.3V 8* 8 免費拿樣

插件固態91视频在线观看1000UF 6.3V 8* 8 免費拿樣

產品係列:固態91视频在线观看 產品型號:1000UF 6.3V 8*8 產品描述:6.3V 8*8 品牌:FRX 產品應用:通用DC-DC調節器
長壽命彎腳 400V120UF  高品質電解91视频在线观看供應

長壽命彎腳 400V120UF  高品質電解91视频在线观看供應

產品係列:電解91视频在线观看 產品型號:長壽命電解91视频在线观看 產品描述:尺寸可定製 400uF 120V 封裝:鋁電解 品牌:NOBLE 產品應用:家用電器
X2安規91视频在线观看 335K/AC275V 腳距10mm91视频在线观看

X2安規91视频在线观看 335K/AC275V 腳距10mm91视频在线观看

產品類型:X91视频在线观看 產品型號:X2 335K/AC275V   本體寬度:13mm 本體腳距:10mm 本體厚度:8mm 品牌:特銳祥 封裝/外殼:塑料封裝 L 管腳貼片 產品應用:家用電器 規格書下載
8N65高壓mos管 場效應管SMF8N65

8N65高壓mos管 場效應管SMF8N65

產品類型:場效應管 產品型號:SMF8N65 產品描述:8A 650V TO-220F塑封 封裝:TO-220F 品牌:FRX 產品應用:高壓NPN型MOS管,高頻開關電源,高速功率開關應用。應用於電源開關、LED照明等 規格書下載
天電TD356C(T1)-G91视频APP下载IOS代替億光EL357C

天電TD356C(T1)-G91视频APP下载IOS代替億光EL357C

產品類型:91视频APP下载IOS 產品型號:TD356C(T1)-G 運轉方式:代替億光EL357C 封裝:SOP-4 品牌:天電 產品應用:主要用於手機充電器、電源適配器、LED電源等。 規格書下載
MSB40M整流橋堆  4A軟橋廠家

MSB40M整流橋堆  4A軟橋廠家

產品類型:橋堆、軟橋 產品型號:MSB40M 產品描述:4A 1000V MSB407 MSB 封裝:MSB 品牌:新邦微XBW 產品應用:主要用於手機充電器、電源適配器、LED電源等。 規格書下載
特銳祥正品 插件陶瓷Y5P151K 250V91视频在线观看

特銳祥正品 插件陶瓷Y5P151K 250V91视频在线观看

產品類型:Y291视频在线观看 產品型號:Y2 471M/250V 產品描述:SMD-Y2-Y5U471M/AC250V 封裝:4.3*3.5*2.2 品牌:特銳祥 封裝/外殼:塑料封裝 L 管腳貼片 產品應用:主要用於家用電器、充電器 規格書下載
全新原裝牛角型820uf 450V硬腳電解91视频在线观看

全新原裝牛角型820uf 450V硬腳電解91视频在线观看

產品係列:電解91视频在线观看 產品型號:牛角型電解91视频在线观看 產品描述:尺寸可定製 820uF 450V 封裝:鋁電解 品牌:NOBLE 產品應用:家用電器
肖特基二極管SS54 5A 40V SMA/SMB/SMC

肖特基二極管SS54 5A 40V SMA/SMB/SMC

產品類型:二極管 產品型號:SS54 產品描述:5A 40V 550mV@5A 產品封裝:SMA/SMB/SMC 產品品牌:新邦微 產品應用:小家電、數碼產品、電源產品及工控等 規格書下載
瞬態抑製二極管SMF5.0CA SOD-123FL

瞬態抑製二極管SMF5.0CA SOD-123FL

產品類型:TVS二極管 產品型號:SMF5.0CA 產品描述:4.6*1.5*2.9 產品封裝:SOD-123FL 產品品牌:新邦微XBW 產品應用:主要應用於數碼產品、傳感器、變速器、工控回路、續電器、接觸器噪音的抑製等各個領域
貼片穩壓二極管BZX584C6V8 6.8V SOD-523

貼片穩壓二極管BZX584C6V8 6.8V SOD-523

產品類型:塑封穩壓二極管 產品型號:BZX584C6V8 產品描述:6.8V 絲印Z5 封裝:SOD-523 品牌:星海 產品應用:由於具有穩壓作用,廣泛用在穩壓電源、電子點火器、直流電平平移、限幅電路、過壓保護電路、補償電路等當中。 規格書下載
1N4148W開關二極管 新邦微原廠直銷

1N4148W開關二極管 新邦微原廠直銷

產品類型:二極管 產品型號:1N4148W 產品描述:75V 0.15A T4 SOT-23 封裝:SOT-23 品牌:新邦微XBW 產品應用:超高速開關應用。應用廣泛。應用於電子設備、數碼、通訊等。 規格書下載
BAV70貼片二極管 新邦微高速開關二極管

BAV70貼片二極管 新邦微高速開關二極管

產品類型:二極管 產品型號:BAV70 產品描述:75V 0.15A T4 封裝:SOT-23 品牌:新邦微XBW 產品應用:超高速開關應用。應用廣泛。應用於電子設備、數碼、通訊等。 規格書下載
BAV99開關二極管 新邦微100%原裝正品

BAV99開關二極管 新邦微100%原裝正品

產品類型:二極管 產品型號:BAV99 產品描述:75V 0.15A T4 產品封裝:SOT-23 產品品牌:新邦微XBW 產品應用:超高速開關應用。應用廣泛。應用於電子設備、數碼、通訊等。 規格書下載
新邦微MMBD4148CA開關二極管

新邦微MMBD4148CA開關二極管

產品類型:二極管 產品型號:MMBD4148CA 產品描述:75V 0.2A A1 產品封裝:SOT-23 產品品牌:新邦微XBW 產品應用:超高速開關應用。應用廣泛。應用於電子設備、數碼、通訊等。 規格書下載
新邦微BAW56原裝現貨貼片開關二極管

新邦微BAW56原裝現貨貼片開關二極管

產品類型:二極管 產品型號:BAW56 產品描述:75V 0.215A A7 產品封裝:SOT-23 產品品牌:新邦微XBW 產品應用:超高速開關應用。應用廣泛。應用於電子設備、數碼、通訊等。 規格書下載
SMA封裝 新邦微貼UF1M片二極管

SMA封裝 新邦微貼UF1M片二極管

產品類型:快恢複二極管 產品型號:UF1M 封裝:SMA 品牌:新邦微XBW 產品應用:塑料封裝型通用矽材料。廣泛應用於各種交流變直流的整流電路中。也用於橋式整流電路。 規格書下載
新邦微RS2M貼片快恢複二極管 廠家直售

新邦微RS2M貼片快恢複二極管 廠家直售

產品類型:二極管 產品型號:RS2M 產品描述:2A 1000V  封裝:SMA 品牌:新邦微XBW 產品應用:廣泛應用於開關電源、LED電源、變頻器、驅動器等電路 規格書下載
新邦微SMB封裝 FR1M快恢複二極管高質價優

新邦微SMB封裝 FR1M快恢複二極管高質價優

產品類型:二極管 產品型號:FR1M 產品描述:1A 1000V FR1M SMB 封裝:SMA 品牌:新邦微XBW 產品應用:廣泛應用於開關電源、LED電源、變頻器、驅動器等電路 規格書下載
新邦微US1M快恢複二極管

新邦微US1M快恢複二極管

產品類型:快恢複二極管 產品型號:US1M 產品描述:1A 1000V 封裝:SMA 品牌:新邦微XBW 產品應用:廣泛應用於開關電源、LED電源、變頻器、驅動器等電路 規格書下載
新邦微RS1M貼片二極管 O元拿樣

新邦微RS1M貼片二極管 O元拿樣

產品類型:二極管 產品型號:RS1M 封裝:SMA 品牌:新邦微XBW 產品應用:廣泛應用於開關電源、LED電源、變頻器、驅動器等電路 規格書下載
新邦微M7整流二極管 SMA封裝廠家直售

新邦微M7整流二極管 SMA封裝廠家直售

產品類型:整流二極管 產品型號:M7 封裝:SMA 品牌:新邦微XBW 產品應用:塑料封裝型通用矽材料。廣泛應用於各種交流變直流的整流電路中。也用於橋式整流電路。 規格書下載
新邦微SOD-123FL封裝 1N4007W整流二極管

新邦微SOD-123FL封裝 1N4007W整流二極管

產品類型:二極管 產品型號:1N4007W 封裝:SOD-123FL 品牌:新邦微XBW 產品應用:塑料封裝型通用矽材料。廣泛應用於各種交流變直流的整流電路中。也用於橋式整流電路。 規格書下載
新邦微1N5399整流二極管 高質價優

新邦微1N5399整流二極管 高質價優

產品類型:二極管 產品型號:1N5399 產品描述:1.5A 1000V DO-15 封裝:DO-15 品牌:新邦微XBW 產品應用:塑料封裝型通用矽材料。廣泛應用於各種交流變直流的整流電路中。也用於橋式整流電路。 規格書下載
新邦微1N4007整流二極管 原裝正品

新邦微1N4007整流二極管 原裝正品

產品類型:二極管 產品型號:1N4007 產品描述:1A 1000V DO-41 封裝:DO-41 品牌:新邦微XBW 產品應用:塑料封裝型通用矽材料。廣泛應用於各種交流變直流的整流電路中。也用於橋式整流電路。 規格書下載
新邦微1N5408整流二極管 DO-41現貨速發

新邦微1N5408整流二極管 DO-41現貨速發

產品類型:二極管 產品型號:1N4008 產品描述:1A 1000V DO-41 封裝:DO-41 品牌:新邦微XBW 產品應用:塑料封裝型通用矽材料。廣泛應用於各種交流變直流的整流電路中。也用於橋式整流電路。 規格書下載
肖特基貼片二極管1N5819W SOD-123

肖特基貼片二極管1N5819W SOD-123

產品類型:二極管 產品型號:1N5819W 產品描述:1A 40V  絲印SL 封裝:SOD-123 品牌:新邦微XBW 產品應用:用於低壓、高頻逆變器;自由轉動和極性保護應用 規格書下載

聯係91视频免费播放

  • 電話:138-2353-9691
  • QQ:397540463
  • 郵箱:397540463@qq.com
  • 地址:深圳市寶安區西鄉大道302號金源商務大廈B座301
網站地圖