歡迎來到深圳市91视频免费播放電子有限公司官網!
91视频免费网址

16年專注電子元器件代理服務商銷售91视频在线观看、91视频APP下载IOS、91视频免费网址等產品遍布全球130個國家地區

谘詢熱線138-2353-9691(微信同號)91视频APP下载IOS
關注91视频免费播放,獲取電子元器件新資訊
您的位置: 網站首頁 > 行業資訊 > 揚傑MG10P12E1 IGBT模塊規格參數、規格書、特性以及應用領域

揚傑MG10P12E1 IGBT模塊規格參數、規格書、特性以及應用領域

發布時間:2023-07-12 09:35
信息摘要:
揚傑MG10P12E1 IGBT模塊是一種高性能的功率半導體器件,被廣泛應用於各種工業和電力電子設備中。作為一種集成了MOSFET和BJT結構的器件,它具有高壓耐受能力和低開關損耗的特點。

  揚傑MG10P12E1 IGBT模塊是一種高性能的功率半導體器件,被廣泛應用於各種工業和電力電子設備中。作為一種集成了MOSFET和BJT結構的器件,它具有高壓耐受能力和低開關損耗的特點。

揚傑MG10P12E1 IGBT模塊規格參數、規格書、特性以及應用領域

  一、揚傑MG10P12E1 IGBT模塊規格參數

  產品類型:IGBT模塊

  產品型號:MG10P12E1

  產品描述:1200V 10A

  產品封裝:E1

  產品品牌:揚傑

  反向重複峰值電壓VRRM:1200V

  正向平均電流IF:10A

  飽和壓降 VCE: 1.85V

  工作溫度範圍:-40℃~+150℃


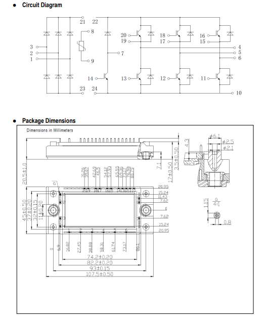
       二、揚傑MG10P12E1 IGBT模塊規格書


1

2

  三、揚傑MG10P12E1 IGBT模塊的特性

  揚傑MG10P12E1 IGBT模塊是一種多晶矽材料製成的功率開關器件。它采用了絕緣柵雙極型結構,具有較低的導通壓降和較高的開關速度。它的導通損耗更低,能夠提供更高的效率。此外,該模塊還具有較高的耐壓能力,能夠承受較高的電壓應力而不受損壞。


  四、揚傑MG10P12E1 IGBT模塊的應用領域

  揚傑MG10P12E1 IGBT模塊的正向和反向導通特性使其在電力電子設備中具有廣泛的應用。它可以用於直流至交流逆變器、變頻器、風力發電裝置、電壓源逆變器以及其他高功率應用中。其高效能和優異的性能使其成為實現能量轉換和控製的理想選擇。

  該模塊的設計采用了先進的工藝和技術,確保了其可靠性和穩定性。其結構經過優化,具有較低的電磁幹擾和較高的耐熱能力。它采用金屬封裝,有效地降低了熱阻,提高了散熱性能。此外,該模塊還具有過流保護、過溫保護和短路保護等功能,能夠有效地保護設備免受損壞。

  揚傑MG10P12E1 IGBT模塊的控製和驅動電路設計靈活,能夠滿足不同應用的需求。它具有低阻抗和快速開關的特性,能夠提供穩定、高效的輸出。此外,該模塊還支持短時間的過載運行,具有較好的瞬態響應能力。


  總而言之,揚傑MG10P12E1 IGBT模塊是一種高性能、可靠性強的功率半導體器件。它在工業和電力電子領域具有廣泛的應用價值,能夠實現高效能的能量轉換和控製。揚傑MG10P12E1 IGBT模塊的特性包括高壓耐受能力、低開關損耗、優異的導通特性和靈活的設計等。通過采用先進的工藝和技術,該模塊具有可靠性和穩定性。它是實現高效能電力設備的理想選擇。

            

熱品推薦

特銳祥貼片陶瓷Y5U561M安規91视频在线观看 廠家直售

特銳祥貼片陶瓷Y5U561M安規91视频在线观看 廠家直售

產品類型:Y291视频在线观看 產品型號:Y2 561M/250V 產品描述:SMD-Y2-Y5U561M/AC250V 封裝:4.3*3.5*2.2 品牌:特銳祥 封裝/外殼:塑料封裝 L 管腳貼片 產品應用:主要用於家用電器、充電器 規格書下載
插件固態91视频在线观看1000UF 6.3V 8* 8 免費拿樣

插件固態91视频在线观看1000UF 6.3V 8* 8 免費拿樣

產品係列:固態91视频在线观看 產品型號:1000UF 6.3V 8*8 產品描述:6.3V 8*8 品牌:FRX 產品應用:通用DC-DC調節器
長壽命彎腳 400V120UF  高品質電解91视频在线观看供應

長壽命彎腳 400V120UF  高品質電解91视频在线观看供應

產品係列:電解91视频在线观看 產品型號:長壽命電解91视频在线观看 產品描述:尺寸可定製 400uF 120V 封裝:鋁電解 品牌:NOBLE 產品應用:家用電器
X2安規91视频在线观看 335K/AC275V 腳距10mm91视频在线观看

X2安規91视频在线观看 335K/AC275V 腳距10mm91视频在线观看

產品類型:X91视频在线观看 產品型號:X2 335K/AC275V   本體寬度:13mm 本體腳距:10mm 本體厚度:8mm 品牌:特銳祥 封裝/外殼:塑料封裝 L 管腳貼片 產品應用:家用電器 規格書下載
8N65高壓mos管 場效應管SMF8N65

8N65高壓mos管 場效應管SMF8N65

產品類型:場效應管 產品型號:SMF8N65 產品描述:8A 650V TO-220F塑封 封裝:TO-220F 品牌:FRX 產品應用:高壓NPN型MOS管,高頻開關電源,高速功率開關應用。應用於電源開關、LED照明等 規格書下載
天電TD356C(T1)-G91视频APP下载IOS代替億光EL357C

天電TD356C(T1)-G91视频APP下载IOS代替億光EL357C

產品類型:91视频APP下载IOS 產品型號:TD356C(T1)-G 運轉方式:代替億光EL357C 封裝:SOP-4 品牌:天電 產品應用:主要用於手機充電器、電源適配器、LED電源等。 規格書下載
MSB40M整流橋堆  4A軟橋廠家

MSB40M整流橋堆  4A軟橋廠家

產品類型:橋堆、軟橋 產品型號:MSB40M 產品描述:4A 1000V MSB407 MSB 封裝:MSB 品牌:新邦微XBW 產品應用:主要用於手機充電器、電源適配器、LED電源等。 規格書下載
特銳祥正品 插件陶瓷Y5P151K 250V91视频在线观看

特銳祥正品 插件陶瓷Y5P151K 250V91视频在线观看

產品類型:Y291视频在线观看 產品型號:Y2 471M/250V 產品描述:SMD-Y2-Y5U471M/AC250V 封裝:4.3*3.5*2.2 品牌:特銳祥 封裝/外殼:塑料封裝 L 管腳貼片 產品應用:主要用於家用電器、充電器 規格書下載
全新原裝牛角型820uf 450V硬腳電解91视频在线观看

全新原裝牛角型820uf 450V硬腳電解91视频在线观看

產品係列:電解91视频在线观看 產品型號:牛角型電解91视频在线观看 產品描述:尺寸可定製 820uF 450V 封裝:鋁電解 品牌:NOBLE 產品應用:家用電器
肖特基二極管SS54 5A 40V SMA/SMB/SMC

肖特基二極管SS54 5A 40V SMA/SMB/SMC

產品類型:二極管 產品型號:SS54 產品描述:5A 40V 550mV@5A 產品封裝:SMA/SMB/SMC 產品品牌:新邦微 產品應用:小家電、數碼產品、電源產品及工控等 規格書下載
瞬態抑製二極管SMF5.0CA SOD-123FL

瞬態抑製二極管SMF5.0CA SOD-123FL

產品類型:TVS二極管 產品型號:SMF5.0CA 產品描述:4.6*1.5*2.9 產品封裝:SOD-123FL 產品品牌:新邦微XBW 產品應用:主要應用於數碼產品、傳感器、變速器、工控回路、續電器、接觸器噪音的抑製等各個領域
貼片穩壓二極管BZX584C6V8 6.8V SOD-523

貼片穩壓二極管BZX584C6V8 6.8V SOD-523

產品類型:塑封穩壓二極管 產品型號:BZX584C6V8 產品描述:6.8V 絲印Z5 封裝:SOD-523 品牌:星海 產品應用:由於具有穩壓作用,廣泛用在穩壓電源、電子點火器、直流電平平移、限幅電路、過壓保護電路、補償電路等當中。 規格書下載
1N4148W開關二極管 新邦微原廠直銷

1N4148W開關二極管 新邦微原廠直銷

產品類型:二極管 產品型號:1N4148W 產品描述:75V 0.15A T4 SOT-23 封裝:SOT-23 品牌:新邦微XBW 產品應用:超高速開關應用。應用廣泛。應用於電子設備、數碼、通訊等。 規格書下載
BAV70貼片二極管 新邦微高速開關二極管

BAV70貼片二極管 新邦微高速開關二極管

產品類型:二極管 產品型號:BAV70 產品描述:75V 0.15A T4 封裝:SOT-23 品牌:新邦微XBW 產品應用:超高速開關應用。應用廣泛。應用於電子設備、數碼、通訊等。 規格書下載
BAV99開關二極管 新邦微100%原裝正品

BAV99開關二極管 新邦微100%原裝正品

產品類型:二極管 產品型號:BAV99 產品描述:75V 0.15A T4 產品封裝:SOT-23 產品品牌:新邦微XBW 產品應用:超高速開關應用。應用廣泛。應用於電子設備、數碼、通訊等。 規格書下載
新邦微MMBD4148CA開關二極管

新邦微MMBD4148CA開關二極管

產品類型:二極管 產品型號:MMBD4148CA 產品描述:75V 0.2A A1 產品封裝:SOT-23 產品品牌:新邦微XBW 產品應用:超高速開關應用。應用廣泛。應用於電子設備、數碼、通訊等。 規格書下載
新邦微BAW56原裝現貨貼片開關二極管

新邦微BAW56原裝現貨貼片開關二極管

產品類型:二極管 產品型號:BAW56 產品描述:75V 0.215A A7 產品封裝:SOT-23 產品品牌:新邦微XBW 產品應用:超高速開關應用。應用廣泛。應用於電子設備、數碼、通訊等。 規格書下載
SMA封裝 新邦微貼UF1M片二極管

SMA封裝 新邦微貼UF1M片二極管

產品類型:快恢複二極管 產品型號:UF1M 封裝:SMA 品牌:新邦微XBW 產品應用:塑料封裝型通用矽材料。廣泛應用於各種交流變直流的整流電路中。也用於橋式整流電路。 規格書下載
新邦微RS2M貼片快恢複二極管 廠家直售

新邦微RS2M貼片快恢複二極管 廠家直售

產品類型:二極管 產品型號:RS2M 產品描述:2A 1000V  封裝:SMA 品牌:新邦微XBW 產品應用:廣泛應用於開關電源、LED電源、變頻器、驅動器等電路 規格書下載
新邦微SMB封裝 FR1M快恢複二極管高質價優

新邦微SMB封裝 FR1M快恢複二極管高質價優

產品類型:二極管 產品型號:FR1M 產品描述:1A 1000V FR1M SMB 封裝:SMA 品牌:新邦微XBW 產品應用:廣泛應用於開關電源、LED電源、變頻器、驅動器等電路 規格書下載
新邦微US1M快恢複二極管

新邦微US1M快恢複二極管

產品類型:快恢複二極管 產品型號:US1M 產品描述:1A 1000V 封裝:SMA 品牌:新邦微XBW 產品應用:廣泛應用於開關電源、LED電源、變頻器、驅動器等電路 規格書下載
新邦微RS1M貼片二極管 O元拿樣

新邦微RS1M貼片二極管 O元拿樣

產品類型:二極管 產品型號:RS1M 封裝:SMA 品牌:新邦微XBW 產品應用:廣泛應用於開關電源、LED電源、變頻器、驅動器等電路 規格書下載
新邦微M7整流二極管 SMA封裝廠家直售

新邦微M7整流二極管 SMA封裝廠家直售

產品類型:整流二極管 產品型號:M7 封裝:SMA 品牌:新邦微XBW 產品應用:塑料封裝型通用矽材料。廣泛應用於各種交流變直流的整流電路中。也用於橋式整流電路。 規格書下載
新邦微SOD-123FL封裝 1N4007W整流二極管

新邦微SOD-123FL封裝 1N4007W整流二極管

產品類型:二極管 產品型號:1N4007W 封裝:SOD-123FL 品牌:新邦微XBW 產品應用:塑料封裝型通用矽材料。廣泛應用於各種交流變直流的整流電路中。也用於橋式整流電路。 規格書下載
新邦微1N5399整流二極管 高質價優

新邦微1N5399整流二極管 高質價優

產品類型:二極管 產品型號:1N5399 產品描述:1.5A 1000V DO-15 封裝:DO-15 品牌:新邦微XBW 產品應用:塑料封裝型通用矽材料。廣泛應用於各種交流變直流的整流電路中。也用於橋式整流電路。 規格書下載
新邦微1N4007整流二極管 原裝正品

新邦微1N4007整流二極管 原裝正品

產品類型:二極管 產品型號:1N4007 產品描述:1A 1000V DO-41 封裝:DO-41 品牌:新邦微XBW 產品應用:塑料封裝型通用矽材料。廣泛應用於各種交流變直流的整流電路中。也用於橋式整流電路。 規格書下載
新邦微1N5408整流二極管 DO-41現貨速發

新邦微1N5408整流二極管 DO-41現貨速發

產品類型:二極管 產品型號:1N4008 產品描述:1A 1000V DO-41 封裝:DO-41 品牌:新邦微XBW 產品應用:塑料封裝型通用矽材料。廣泛應用於各種交流變直流的整流電路中。也用於橋式整流電路。 規格書下載
肖特基貼片二極管1N5819W SOD-123

肖特基貼片二極管1N5819W SOD-123

產品類型:二極管 產品型號:1N5819W 產品描述:1A 40V  絲印SL 封裝:SOD-123 品牌:新邦微XBW 產品應用:用於低壓、高頻逆變器;自由轉動和極性保護應用 規格書下載

聯係91视频免费播放

  • 電話:138-2353-9691
  • QQ:397540463
  • 郵箱:397540463@qq.com
  • 地址:深圳市寶安區西鄉大道302號金源商務大廈B座301
網站地圖