歡迎來到深圳市91视频免费播放電子有限公司官網!
91视频免费网址

16年專注電子元器件代理服務商銷售91视频在线观看、91视频APP下载IOS、91视频免费网址等產品遍布全球130個國家地區

谘詢熱線138-2353-9691(微信同號)91视频APP下载IOS
關注91视频免费播放,獲取電子元器件新資訊
您的位置: 網站首頁 > 行業資訊 > 揚傑MG25P12E1 IGBT模塊規格參數、規格書以及主要特性

揚傑MG25P12E1 IGBT模塊規格參數、規格書以及主要特性

發布時間:2023-07-17 14:00:42
信息摘要:
在現代科技的快速發展和電力設備的廣泛應用下,IGBT(Insulated Gate Bipolar Transistor)逐漸成為電力電子領域的關鍵元件之一。而揚傑MG25P12E1 IGBT模塊作為一種高性能、可靠性強的電力轉換裝置,一直備受推崇。

  在現代科技的快速發展和電力設備的廣泛應用下,IGBT(Insulated Gate Bipolar Transistor)逐漸成為電力電子領域的關鍵元件之一。而揚傑MG25P12E1 IGBT模塊作為一種高性能、可靠性強的電力轉換裝置,一直備受推崇。

揚傑MG25P12E1 IGBT模塊規格參數、規格書以及主要特性

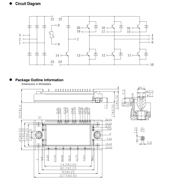
    一、揚傑MG25P12E1 IGBT模塊規格參數

  產品類型:IGBT模塊

  產品型號:MG25P12E1

  產品描述:1200V 25A

  產品封裝:E1

  產品品牌:揚傑

  反向重複峰值電壓VRRM:1200V

  正向平均電流IF:25A

  飽和壓降 VCE: 1.85V

  工作溫度範圍:-40℃~+150℃


    二、揚傑MG25P12E1 IGBT模塊規格書


1

2

  三、揚傑MG25P12E1 IGBT模塊的特性

  揚傑MG25P12E1 IGBT模塊采用了先進的第六代IGBT技術,不僅具有傳統IGBT的優點,如高電壓能力、低飽和壓降等,而且在熱穩定性、低開關損耗、抗瞬變電流等方麵有著顯著的改進。此外,該模塊還具備超快速反向恢複二極管和高敏感性驅動電路,使其在電力電子應用中表現出色。

  揚傑MG25P12E1 IGBT模塊的一個顯著特點是其強大的承受電壓能力。該模塊的額定電壓可達1200V,使其能夠在高壓環境下穩定運行。這種高電壓能力使該模塊成為電力變頻器、工業電機驅動器等高功率電力設備的理想選擇。

  此外,揚傑MG25P12E1 IGBT模塊具有非常低的飽和壓降。在標準工作條件下,其飽和壓降僅為2.2V。這不僅可以有效減小能量損耗,提高係統的效率,還可以防止模塊過熱引發的故障和損壞。因此,該模塊在高頻應用和高效率要求的場合中表現出色。

  另一個令揚傑MG25P12E1 IGBT模塊脫穎而出的特點是其出色的熱穩定性。該模塊采用了先進的封裝技術和材料,使其能夠在高溫環境下持續運行。此外,該模塊還具備優異的熱傳導性能,能夠有效散熱,保持模塊的穩定性和可靠性。這使得揚傑MG25P12E1 IGBT模塊成為在嚴苛的工業環境和高溫應用中廣泛使用的理想選擇。

  同時,揚傑MG25P12E1 IGBT模塊設計了超快速反向恢複二極管。這種二極管具有快速恢複特性,可以迅速轉換電流方向,減小二極管帶來的反向傳導損耗。該模塊還配置了高敏感性驅動電路,能夠精確控製電流的開關過程,提高係統的響應速度和穩定性。因此,揚傑MG25P12E1 IGBT模塊在高頻開關電路和頻繁開關應用中更加可靠。


  總之,揚傑MG25P12E1 IGBT模塊是一款性能卓越的電力轉換裝置。其高壓能力、低飽和壓降、強大的熱穩定性、超快速反向恢複二極管和高敏感性驅動電路等特點使其在電力電子領域中具有廣泛的應用前景。無論是在電力變頻器、工業電機驅動器,還是高頻開關電路和頻繁開關應用中,揚傑MG25P12E1 IGBT模塊都能夠實現穩定可靠的性能,為用戶提供出色的電力轉換解決方案。

            

熱品推薦

特銳祥貼片陶瓷Y5U561M安規91视频在线观看 廠家直售

特銳祥貼片陶瓷Y5U561M安規91视频在线观看 廠家直售

產品類型:Y291视频在线观看 產品型號:Y2 561M/250V 產品描述:SMD-Y2-Y5U561M/AC250V 封裝:4.3*3.5*2.2 品牌:特銳祥 封裝/外殼:塑料封裝 L 管腳貼片 產品應用:主要用於家用電器、充電器 規格書下載
插件固態91视频在线观看1000UF 6.3V 8* 8 免費拿樣

插件固態91视频在线观看1000UF 6.3V 8* 8 免費拿樣

產品係列:固態91视频在线观看 產品型號:1000UF 6.3V 8*8 產品描述:6.3V 8*8 品牌:FRX 產品應用:通用DC-DC調節器
長壽命彎腳 400V120UF  高品質電解91视频在线观看供應

長壽命彎腳 400V120UF  高品質電解91视频在线观看供應

產品係列:電解91视频在线观看 產品型號:長壽命電解91视频在线观看 產品描述:尺寸可定製 400uF 120V 封裝:鋁電解 品牌:NOBLE 產品應用:家用電器
X2安規91视频在线观看 335K/AC275V 腳距10mm91视频在线观看

X2安規91视频在线观看 335K/AC275V 腳距10mm91视频在线观看

產品類型:X91视频在线观看 產品型號:X2 335K/AC275V   本體寬度:13mm 本體腳距:10mm 本體厚度:8mm 品牌:特銳祥 封裝/外殼:塑料封裝 L 管腳貼片 產品應用:家用電器 規格書下載
8N65高壓mos管 場效應管SMF8N65

8N65高壓mos管 場效應管SMF8N65

產品類型:場效應管 產品型號:SMF8N65 產品描述:8A 650V TO-220F塑封 封裝:TO-220F 品牌:FRX 產品應用:高壓NPN型MOS管,高頻開關電源,高速功率開關應用。應用於電源開關、LED照明等 規格書下載
天電TD356C(T1)-G91视频APP下载IOS代替億光EL357C

天電TD356C(T1)-G91视频APP下载IOS代替億光EL357C

產品類型:91视频APP下载IOS 產品型號:TD356C(T1)-G 運轉方式:代替億光EL357C 封裝:SOP-4 品牌:天電 產品應用:主要用於手機充電器、電源適配器、LED電源等。 規格書下載
MSB40M整流橋堆  4A軟橋廠家

MSB40M整流橋堆  4A軟橋廠家

產品類型:橋堆、軟橋 產品型號:MSB40M 產品描述:4A 1000V MSB407 MSB 封裝:MSB 品牌:新邦微XBW 產品應用:主要用於手機充電器、電源適配器、LED電源等。 規格書下載
特銳祥正品 插件陶瓷Y5P151K 250V91视频在线观看

特銳祥正品 插件陶瓷Y5P151K 250V91视频在线观看

產品類型:Y291视频在线观看 產品型號:Y2 471M/250V 產品描述:SMD-Y2-Y5U471M/AC250V 封裝:4.3*3.5*2.2 品牌:特銳祥 封裝/外殼:塑料封裝 L 管腳貼片 產品應用:主要用於家用電器、充電器 規格書下載
全新原裝牛角型820uf 450V硬腳電解91视频在线观看

全新原裝牛角型820uf 450V硬腳電解91视频在线观看

產品係列:電解91视频在线观看 產品型號:牛角型電解91视频在线观看 產品描述:尺寸可定製 820uF 450V 封裝:鋁電解 品牌:NOBLE 產品應用:家用電器
肖特基二極管SS54 5A 40V SMA/SMB/SMC

肖特基二極管SS54 5A 40V SMA/SMB/SMC

產品類型:二極管 產品型號:SS54 產品描述:5A 40V 550mV@5A 產品封裝:SMA/SMB/SMC 產品品牌:新邦微 產品應用:小家電、數碼產品、電源產品及工控等 規格書下載
瞬態抑製二極管SMF5.0CA SOD-123FL

瞬態抑製二極管SMF5.0CA SOD-123FL

產品類型:TVS二極管 產品型號:SMF5.0CA 產品描述:4.6*1.5*2.9 產品封裝:SOD-123FL 產品品牌:新邦微XBW 產品應用:主要應用於數碼產品、傳感器、變速器、工控回路、續電器、接觸器噪音的抑製等各個領域
貼片穩壓二極管BZX584C6V8 6.8V SOD-523

貼片穩壓二極管BZX584C6V8 6.8V SOD-523

產品類型:塑封穩壓二極管 產品型號:BZX584C6V8 產品描述:6.8V 絲印Z5 封裝:SOD-523 品牌:星海 產品應用:由於具有穩壓作用,廣泛用在穩壓電源、電子點火器、直流電平平移、限幅電路、過壓保護電路、補償電路等當中。 規格書下載
1N4148W開關二極管 新邦微原廠直銷

1N4148W開關二極管 新邦微原廠直銷

產品類型:二極管 產品型號:1N4148W 產品描述:75V 0.15A T4 SOT-23 封裝:SOT-23 品牌:新邦微XBW 產品應用:超高速開關應用。應用廣泛。應用於電子設備、數碼、通訊等。 規格書下載
BAV70貼片二極管 新邦微高速開關二極管

BAV70貼片二極管 新邦微高速開關二極管

產品類型:二極管 產品型號:BAV70 產品描述:75V 0.15A T4 封裝:SOT-23 品牌:新邦微XBW 產品應用:超高速開關應用。應用廣泛。應用於電子設備、數碼、通訊等。 規格書下載
BAV99開關二極管 新邦微100%原裝正品

BAV99開關二極管 新邦微100%原裝正品

產品類型:二極管 產品型號:BAV99 產品描述:75V 0.15A T4 產品封裝:SOT-23 產品品牌:新邦微XBW 產品應用:超高速開關應用。應用廣泛。應用於電子設備、數碼、通訊等。 規格書下載
新邦微MMBD4148CA開關二極管

新邦微MMBD4148CA開關二極管

產品類型:二極管 產品型號:MMBD4148CA 產品描述:75V 0.2A A1 產品封裝:SOT-23 產品品牌:新邦微XBW 產品應用:超高速開關應用。應用廣泛。應用於電子設備、數碼、通訊等。 規格書下載
新邦微BAW56原裝現貨貼片開關二極管

新邦微BAW56原裝現貨貼片開關二極管

產品類型:二極管 產品型號:BAW56 產品描述:75V 0.215A A7 產品封裝:SOT-23 產品品牌:新邦微XBW 產品應用:超高速開關應用。應用廣泛。應用於電子設備、數碼、通訊等。 規格書下載
SMA封裝 新邦微貼UF1M片二極管

SMA封裝 新邦微貼UF1M片二極管

產品類型:快恢複二極管 產品型號:UF1M 封裝:SMA 品牌:新邦微XBW 產品應用:塑料封裝型通用矽材料。廣泛應用於各種交流變直流的整流電路中。也用於橋式整流電路。 規格書下載
新邦微RS2M貼片快恢複二極管 廠家直售

新邦微RS2M貼片快恢複二極管 廠家直售

產品類型:二極管 產品型號:RS2M 產品描述:2A 1000V  封裝:SMA 品牌:新邦微XBW 產品應用:廣泛應用於開關電源、LED電源、變頻器、驅動器等電路 規格書下載
新邦微SMB封裝 FR1M快恢複二極管高質價優

新邦微SMB封裝 FR1M快恢複二極管高質價優

產品類型:二極管 產品型號:FR1M 產品描述:1A 1000V FR1M SMB 封裝:SMA 品牌:新邦微XBW 產品應用:廣泛應用於開關電源、LED電源、變頻器、驅動器等電路 規格書下載
新邦微US1M快恢複二極管

新邦微US1M快恢複二極管

產品類型:快恢複二極管 產品型號:US1M 產品描述:1A 1000V 封裝:SMA 品牌:新邦微XBW 產品應用:廣泛應用於開關電源、LED電源、變頻器、驅動器等電路 規格書下載
新邦微RS1M貼片二極管 O元拿樣

新邦微RS1M貼片二極管 O元拿樣

產品類型:二極管 產品型號:RS1M 封裝:SMA 品牌:新邦微XBW 產品應用:廣泛應用於開關電源、LED電源、變頻器、驅動器等電路 規格書下載
新邦微M7整流二極管 SMA封裝廠家直售

新邦微M7整流二極管 SMA封裝廠家直售

產品類型:整流二極管 產品型號:M7 封裝:SMA 品牌:新邦微XBW 產品應用:塑料封裝型通用矽材料。廣泛應用於各種交流變直流的整流電路中。也用於橋式整流電路。 規格書下載
新邦微SOD-123FL封裝 1N4007W整流二極管

新邦微SOD-123FL封裝 1N4007W整流二極管

產品類型:二極管 產品型號:1N4007W 封裝:SOD-123FL 品牌:新邦微XBW 產品應用:塑料封裝型通用矽材料。廣泛應用於各種交流變直流的整流電路中。也用於橋式整流電路。 規格書下載
新邦微1N5399整流二極管 高質價優

新邦微1N5399整流二極管 高質價優

產品類型:二極管 產品型號:1N5399 產品描述:1.5A 1000V DO-15 封裝:DO-15 品牌:新邦微XBW 產品應用:塑料封裝型通用矽材料。廣泛應用於各種交流變直流的整流電路中。也用於橋式整流電路。 規格書下載
新邦微1N4007整流二極管 原裝正品

新邦微1N4007整流二極管 原裝正品

產品類型:二極管 產品型號:1N4007 產品描述:1A 1000V DO-41 封裝:DO-41 品牌:新邦微XBW 產品應用:塑料封裝型通用矽材料。廣泛應用於各種交流變直流的整流電路中。也用於橋式整流電路。 規格書下載
新邦微1N5408整流二極管 DO-41現貨速發

新邦微1N5408整流二極管 DO-41現貨速發

產品類型:二極管 產品型號:1N4008 產品描述:1A 1000V DO-41 封裝:DO-41 品牌:新邦微XBW 產品應用:塑料封裝型通用矽材料。廣泛應用於各種交流變直流的整流電路中。也用於橋式整流電路。 規格書下載
肖特基貼片二極管1N5819W SOD-123

肖特基貼片二極管1N5819W SOD-123

產品類型:二極管 產品型號:1N5819W 產品描述:1A 40V  絲印SL 封裝:SOD-123 品牌:新邦微XBW 產品應用:用於低壓、高頻逆變器;自由轉動和極性保護應用 規格書下載

聯係91视频免费播放

  • 電話:138-2353-9691
  • QQ:397540463
  • 郵箱:397540463@qq.com
  • 地址:深圳市寶安區西鄉大道302號金源商務大廈B座301
網站地圖